✖
关于博控
产品中心
新闻资讯
下载中心
联系我们
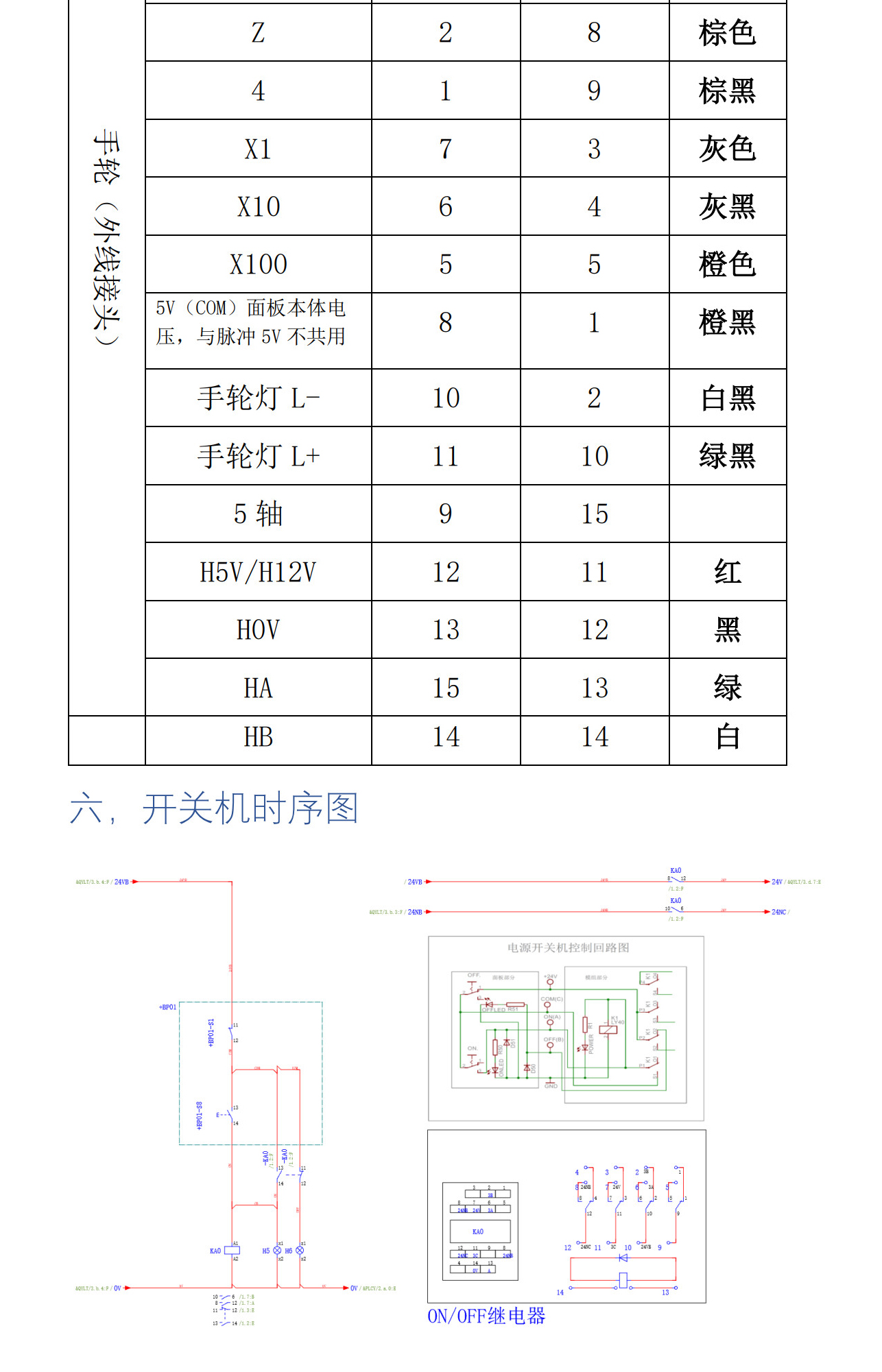
面板
面板BK-F4025-ZX2
产品手册(PDF)
产品介绍
0512-66173923(座机)
13771758596(手机)
微信客服